| Availability: | |
|---|---|
| Quantity: | |
LP128-200K-F(2770180)
QUAWINTEC/OEM
8507600090
Shenzhen, China
L/C, T/T, D/P, Western Union, Paypal
Netrual packing/Custom box with less than 10KGS
1PCS
5000/Month
Quick Detail:
Brand Name:QUAWIN/OEM
Model Number:LP128-200K-F(2770180)
Type:3.2V 2770180AP Lifepo4 Cell
Place of Origin:Guangdong China (Mainland)
Composed Type:4S1P
Cell Capacity:20Ah
Nominal Voltage:12.8V
Charging voltage:DC:14.6V CC/CV
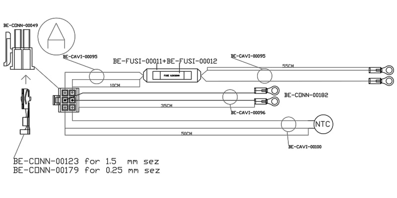
Additional functionality:with 6.3x32mm(3AG) 10a ceramic fuse
Maximal charging curren:10A
Maximal continuous Discharging current:10A
Discharge overcurrent protection:50±10A(adjustable)
Over charge detection voltage:15.2±0.025V
Over charge release voltage:14.2±0.025V
Over discharge detection voltage:8.0±0.05V
Over discharge release voltage:9.2±0.05V
Blanse current for single cell:56mA±5mA
BMS Models:PCM-L04S15-E95(BMS specifications can be obtained separately)
Certificate:CE,ROHS,UL,UN38.3 REACH
Pack:Fiberboard wrapping and PVC shrinkage film
Battery Pack Dimension :30(T) x 300(W) x 185(H)mm
Weight:2900±10g
Cycle life:2000~3000 times
Warranty:12 months
Packaging & Delivery :
. Netural labels,Polybag,PVC,Color box,Customised package
. Netrual packing/Custom box with less than 10KGS
. Delivery Detail:sample within 7 work days,15~35 days for bulk order
Product Advantages:
1). Green product
2). Long standby time
3). One year warranty
4). Excellent safety performance
5). Excellent storage performance and low self-discharge rate
6). Short circuit testing passed
7). Overcharge testing passed
8). Over discharge testing passed
9). 150C thermal shock test passed
10).1.2m drop testing passed
Spotlight:
1).Provide both single cells and battery packs
2).100% inspection before delivery
3).Inspects inner resistance,discharge platform and self-discharge
4). manufacturer of 2770180 Lifepo4 LFP battery,lithium polymer battery etc.
5).tablished quality control systems under ISO9001
6).Customized packs, tags,labels,plugs,connectors,over current protection,temperature contol protection are available
Shipping terms:
1).Samples checking: sending by Express ( DHL/UPS/FEDEX/TNT,by air)
2).Bulk production: sending out by cargo shipping / air freight / Express(DHL/UPS/FedEx/TNT),or we can accept other shipping terms according to your requirements.
3).We are not responsible for any accidents, delays or other issues that are caused by the shipping.
Safety Precaution:
1).Do not throw battery into water or make it wet;
2).Keep the battery away from heat source(like fire or heater);
3).Do not throw the battery into fire or heat the battery;
4).Forbid to hammer to trample the battery;
5).Forbid disassembling the battery in anyway
Call us to know more details datasheet.












Quick Detail:
Brand Name:QUAWIN/OEM
Model Number:LP128-200K-F(2770180)
Type:3.2V 2770180AP Lifepo4 Cell
Place of Origin:Guangdong China (Mainland)
Composed Type:4S1P
Cell Capacity:20Ah
Nominal Voltage:12.8V
Charging voltage:DC:14.6V CC/CV
Additional functionality:with 6.3x32mm(3AG) 10a ceramic fuse
Maximal charging curren:10A
Maximal continuous Discharging current:10A
Discharge overcurrent protection:50±10A(adjustable)
Over charge detection voltage:15.2±0.025V
Over charge release voltage:14.2±0.025V
Over discharge detection voltage:8.0±0.05V
Over discharge release voltage:9.2±0.05V
Blanse current for single cell:56mA±5mA
BMS Models:PCM-L04S15-E95(BMS specifications can be obtained separately)
Certificate:CE,ROHS,UL,UN38.3 REACH
Pack:Fiberboard wrapping and PVC shrinkage film
Battery Pack Dimension :30(T) x 300(W) x 185(H)mm
Weight:2900±10g
Cycle life:2000~3000 times
Warranty:12 months
Packaging & Delivery :
. Netural labels,Polybag,PVC,Color box,Customised package
. Netrual packing/Custom box with less than 10KGS
. Delivery Detail:sample within 7 work days,15~35 days for bulk order
Product Advantages:
1). Green product
2). Long standby time
3). One year warranty
4). Excellent safety performance
5). Excellent storage performance and low self-discharge rate
6). Short circuit testing passed
7). Overcharge testing passed
8). Over discharge testing passed
9). 150C thermal shock test passed
10).1.2m drop testing passed
Spotlight:
1).Provide both single cells and battery packs
2).100% inspection before delivery
3).Inspects inner resistance,discharge platform and self-discharge
4). manufacturer of 2770180 Lifepo4 LFP battery,lithium polymer battery etc.
5).tablished quality control systems under ISO9001
6).Customized packs, tags,labels,plugs,connectors,over current protection,temperature contol protection are available
Shipping terms:
1).Samples checking: sending by Express ( DHL/UPS/FEDEX/TNT,by air)
2).Bulk production: sending out by cargo shipping / air freight / Express(DHL/UPS/FedEx/TNT),or we can accept other shipping terms according to your requirements.
3).We are not responsible for any accidents, delays or other issues that are caused by the shipping.
Safety Precaution:
1).Do not throw battery into water or make it wet;
2).Keep the battery away from heat source(like fire or heater);
3).Do not throw the battery into fire or heat the battery;
4).Forbid to hammer to trample the battery;
5).Forbid disassembling the battery in anyway
Call us to know more details datasheet.











